QWX27120

5-7 GHz Wi-Fi 7 Front End Module
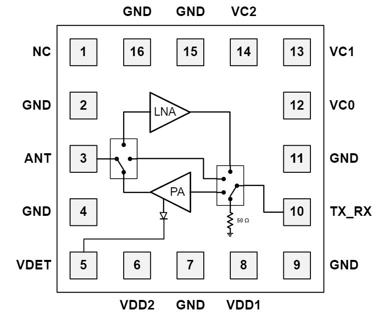
The QuantalRF QWX27120 is a highly integrated monolithic front-end IC designed for high performance Wireless Local Area Network (WLAN) applications supporting all standards up to Wi-Fi 7. It features a patent pending PA architecture providing superior power efficiency, a low loss single-pole, triple-throw (SP3T) switch and an LNA.
  • Support for Digital Pre-Distortion (DPD) is implemented in all transmit modes for further improved EVM performance.
  • All RF ports are matched on-chip to 50 ohms to minimize the external components and application layout area.
  • The QWX27120 is fabricated as a monolithic die in CMOS RF-SOI technology.

DOWNLOAD DOCUMENTATION

Applications

  • Wi-Fi 6E and Wi-Fi 7 systems
  • Smartphones and other portable, rechargeable battery-operated devices
  • Smart TV, set-top boxes, AR/VR headsets

Features

  • PA with superior linear output power and best-in-class power efficiency for Wi-Fi 7 high data rate applications
  • Monolithic die implementation in CMOS SOI ensures the smallest form factor
  • LNA with bypass mode and industry-leading current consumption
  • 16-pin LGA 2 mm x 2 mm or bare die with Cu pillars for flip chip assembly
  • Power detector output

Key Specifications

  • 5150 – 7125 MHz
  • Single 3.80V supply voltage
  • Transmit output power:
    – 21.5 dBm, 802.11a, 3 dB margin to SEM
    – 18.5 dBm, EHT160 -35 dB DEVM
    – 16.5 dBm, EHT160 -42 dB DEVM
    – 11 dBm, EHT320 -45 dB DEVM
  • Transmit gain: 28.5 dB (high gain mode)
  • Current consumption: 305 mA at 21 dBm output power
  • Noise figure: 2.1 dB
  • Receive gain: 16 dB