QWX23105

2.4 GHz Wi-Fi 7 Front End Module
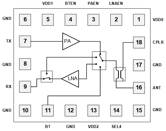
The QuantalRF QWX23105 is a highly integrated single front-end IC designed for high performance Wireless Local Area Network (WLAN) and Bluetooth applications supporting all standards up to Wi-Fi 7. It features a patent pending PA architecture providing superior linearity, a low loss single-pole, double-throw (SPDT) switch and an LNA.
  • Support for Digital Pre-Distortion (DPD) is implemented in transmit modes for a further improved EVM performance.
  • All RF ports are matched on-chip to 50 ohms to minimize the external components and application layout area.
  • The QWX23105 is fabricated as a single die in CMOS RF-SOI technology.

DOWNLOAD DOCUMENTATION

Applications

  • Wi-Fi 7 / Bluetooth Systems
  • Smartphones and other portable, rechargeable battery-operated devices
  • Modules for embedded systems

Features

  • Single Wi-Fi 7 / Bluetooth combo front-end IC
  • PA with superior linear output power and best-in-class power efficiency for Wi-Fi 7 high data rate applications
  • LNA with bypass mode and industry leading current consumption
  • Wi-Fi modes: high-performance, DPD, and ultra-low power
  • Dedicated Bluetooth transmit and bypass modes
  • LGA 2 mm x 2 mm or bare die with Cu pillars for flip chip assembly
  • Directional coupler output
  • Integrated RF filters offer superior interferer immunity

Key Specifications

  • 2400 – 2500 MHz
  • Single 3.80V supply voltage
  • Pout = +24.5 dBm 6 Mbps 802.11g
  • Pout = +20.5 dBm MCS11 HE40 -43 dB DEVM
  • Pout = +19 dBm MCS13 EHT40 -45 dB DEVM
  • Transmit gain: 30 dB
  • Current consumption: 265 mA at 22 dBm output power
  • Noise figure (including on-chip filter) = 1.8 dB
  • Receive gain: 16.5 dB