QWX27120
5-7 GHz Wi-Fi 7 Front End Module
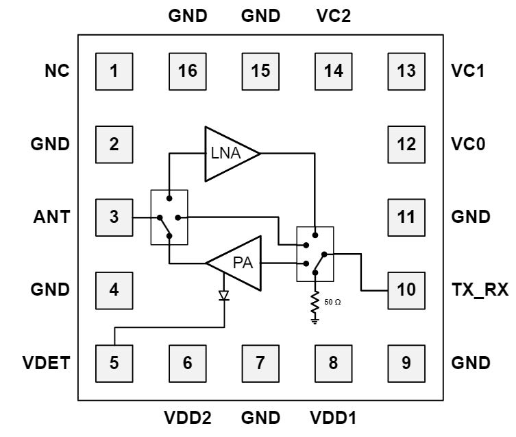
The QuantalRF QWX27120 is a highly integrated monolithic front-end IC designed for high performance Wireless Local Area Network (WLAN) applications supporting all standards up to Wi-Fi 7. It features a patent pending PA architecture providing superior power efficiency, a low loss single-pole, triple-throw (SP3T) switch and an LNA.
Support for Digital Pre-Distortion (DPD) is implemented in all transmit modes for further improved EVM performance.
All RF ports are matched on-chip to 50 ohms to minimize the external components and application layout area.
The QWX27120 is fabricated as a monolithic die in CMOS SOI technology.
Applications
- Wi-Fi 6E and Wi-Fi 7 systems
- Smartphones and other portable, rechargeable battery-operated devices
- Smart TV, set-top boxes, AR/VR headsets
Features
- PA with superior linear output power and best-inclass power efficiency for Wi-Fi 7 high data rate applications
- Monolithic die implementation in CMOS SOI ensures the smallest form factor
- LNA with bypass mode and industry leading current comsumption
- High gain and low gain transmit modes
- 16-pin LGA 2 mm x 2 mm or bare die with Cu pillars for flip chip assembly
- Power detector output
Key Specifications
- 5150 – 7125 MHz
- Single 3.80V supply voltage
- Transmit output power:
- 21.5 dBm, 802.11a, 3 dB margin to SEM
- 18.5 dBm, EHT160 -35 dB DEVM
- 16.5 dBm, EHT160 -42 dB DEVM
- 11 dBm, EHT320 -45 dB DEVM
- Transmit gain: 28.5 dB (high gain mode)
- Current consumption:
- 305 mA at 21 dBm output power
- Noise figure: 2.1 dB
- Receive gain: 16 dB


