QWX27105
5-7 GHz Wi-Fi 7 Front End Module
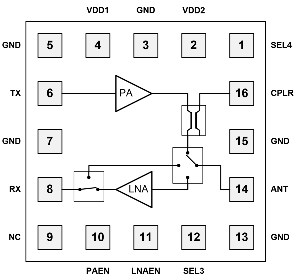
The QuantalRF QWX27105 is a highly integrated monolithic front-end IC designed for high performance Wireless Local Area Network (WLAN) applications supporting all standards up to Wi-Fi 7. It features a patent pending PA architecture providing superior power efficiency, a low loss single-pole, triple-throw (SP3T) switch and an LNA.
Support for Digital Pre-Distortion (DPD) is implemented in all transmit modes for further improved EVM performance.
All RF ports are matched on-chip to 50 ohms to minimize the external components and application layout area.
The QWX27105 is fabricated as a monolithic die in CMOS SOI technology.
Applications
- Wi-Fi 6E and Wi-Fi 7 systems
- Smartphones and other portable, rechargeable battery-operated devices
- Smart TV, set-top boxes, AR/VR headsets
Features
- PA with superior linear output power and best-inclass power efficiency for Wi-Fi 7 high data rate applications
- Monolithic die implementation in CMOS SOI ensures the smallest form factor
- LNA with high gain, low power and bypass modes
- Transmit with high power, mid power and low power modes
- DPD modes for further power saving
- 16-pin LGA 2 mm x 2 mm or bare die with Cu pillars for flip chip assembly
- Directional coupler output
Key Specifications
- 5150 – 7125 MHz
- 3.8V supply voltage for PA and 1.8V supply voltage for LNA
- Transmit output power:
- 23 dBm, 802.11a 6Mbps, 3 dB SEM margin
- 20 dBm, VHT80 -35 dB DEVM
- 18 dBm, HE160 -42 dB DEVM
- 16 dBm, EHT320 -45 dB DEVM
- Transmit gain: 31 dB (high gain mode)
- Current consumption:
- 280 mA at 21 dBm output power
- Noise figure: 1.8 dB
- Receive gain: 15 dB


