QWX23105
2.4 GHz Wi-Fi 7 Front End Module
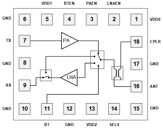
The QuantalRF QWX23105 is a highly integrated single front-end IC designed for high performance Wireless Local Area Network (WLAN) and Bluetooth applications supporting all standards up to Wi-Fi 7. It features a patent pending PA architecture providing superior linearity, a low loss single-pole, double-throw (SPDT) switch and an LNA.
Support for Digital Pre-Distortion (DPD) is implemented in transmit modes for a further improved EVM performance.
All RF ports are matched on-chip to 50 ohms to minimize the external components and application layout area.
The QWX23105 is fabricated as a single die in CMOS SOI technology.
Applications
- Wi-Fi 7 / Bluetooth Systems
- Smartphones and other portable, rechargeable battery-operated devices
- Modules for embedded systems
Features
- Single Wi-Fi 7 / Bluetooth combo front-end IC
- PA with superior linear output power and best-in-class power efficiency for Wi-Fi 7 high data rateapplications
- LNA with bypass mode and industry leading current consumption
- Wi-Fi modes: high-performance, DPD, and ultra-low power
- Dedicated Bluetooth transmit and bypass modes
- LGA 2 mm x 2 mm or bare die with Cu pillars for flip chip assembly
- Directional coupler output
- Integrated RF filters offer superior interferer immunity
Key Specifications
- 2400 – 2500 MHz
- Single 3.8V supply voltage
- Pout = +24 dBm CCK11
- Pout = +23 dBm 6 Mbps 802.11g
- Pout = +19 dBm MCS8 HE20 -34 dB DEVM
- Pout = +17.5 dBm MCS11 HE40 -43 dB DEVM
- Pout = +16 dBm MCS13 EHT40 -45 dB DEVM
- Transmit gain: 31 dB
- Current consumption:
- 170 mA at 18.5 dBm output power
- Noise figure (including on-chip filter) = 2 dB
- Receive gain: 16.5 dB


